- ЗНИЖКА У КОШИКУ-10%
Імпульсне Реле BIS-416 2х8А F&F
-
4130BIS-416Країна-виробник: Польща
Характеристики
- Серія: BIS
- Тип виробу: Реле імпульсне
- Номінальний струм комутації, А: 16
- Ступінь захисту IP: 20
- Тип монтажу: На DIN рейку
- Споживана потужність, Вт: 0.7
-
Система знижок на продукцію F&F™
Від 500 грн
16%
Від 15 000 грн
20%
Додавайте товари до кошика та отримуйте знижку на покупку
Сертифікат офіційного дилера F&F™
Знижки
Діють знижки від суми замовлення у кошику, умови за посиланням.
Зв’язок з нами
Умови
- Працюємо по предоплаті
- Мінімальне замовлення — 500 грн
Оплата
- Оплата картою
- Безготівковий розрахунок за рахунком з ПДВ (для ТОВ, ФОП та інші)
Доставка
- Самовивіз зі складу у Києві можливий лише після узгодження з менеджером.
- Надсилаємо товари перевізниками - Нова Пошта, Delivery, у день оплати за умови надходження коштів до 14:00–15:00. Термін доставки зазвичай складає 1–2 робочі дні по регіонах України.
- Вартість доставки починається від 80 грн відповідно до тарифів перевізника
Захист покупки
- Оригінальна продукція
- Офіційна гарантія від виробника. Підтримка у сервісних випадках
- Повернення протягом 14 днів згідно з умовами повернення
- Відгуки
- Про магазин
- Сертифікати
-
Відмітні особливості реле:
Два незалежних канали. Максимальний струм навантаження 2х8 А. В монтажну коробку.
Призначення
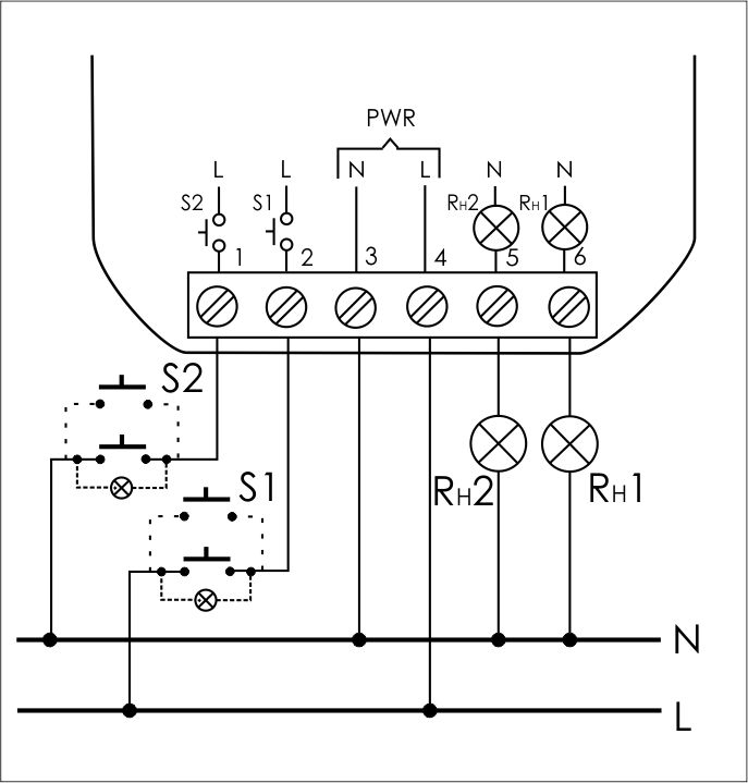
Імпульсне Реле BIS-416 призначений для включення/вимикання освітлення, електроустановок і т. п. з декількох місць за допомогою паралельно з'єднаних кнопок. Реле має дві секції і дозволяють з відповідною послідовністю управляти двома навантаженнями. Управління станом реле здійснюється по двухпроводной лінії шляхом натискання будь-якої кнопки.
Область застосування
Освітлення прохідних приміщень: довгих коридорів, сходових маршів і т. д. (включення на вході, вимикання на виході).
Принцип роботи
При надходженні імпульсу на керуючий вхід реле відбувається переключення його виходу в протилежний стан, при наступному імпульсі - у вихідне. На відміну від контакторів, електроенергія споживається тільки в момент перемикання.
Включення навантаження здійснюється натисканням будь-якого однотактового вимикача (кнопки без фіксації), вимикання - наступним натисканням.
Технічні характеристики
| Артикул | EA01.005.011 |
| Код ETIM | EC000188 |
| Напруга живлення | 100-265 В AC |
| Максимальний комутований струм (AC1) | 2х8 А |
| Контакт | 2NO/NC |
| Струм управління, не більше | 0,5-1 мА |
| Затримка включення | 0,1-0,2 сек. |
| Затримка вимкнення (регульована) | - |
| Сигналізація харчування | + |
| Сигналізація включення навантаження | - |
| Діапазон робочих температур | від -25 до +50°С |
| Споживана потужність | 0,7 Вт |
| Габарити (ШхВхГ) | 48x43x25 мм |
| Тип корпусу (див. Додаток 1) | PDT |
| Ступінь захисту | IP 20 |
Схема підключення

Діаграма

Характеристики та комплектація товару можуть змінюватися виробником без попереднього повідомлення.





.jpg)










Кабель та провід










Світлотехніка




























Релейне обладнання


















Щитове обладнання















Системи укладання кабелю




























Стабілізатори напруги

Електрофурнітура


















Лічильники

Вимірювальні прилади























Інвертори
Акумулятори
Зарядні станції
Конвектори
Розпродаж