- ЗНИЖКА У КОШИКУ-10%
Імпульсне реле BIS-412P 16A 165÷265 AC F&F
-
5565BIS-412PКраїна-виробник: Польща
Характеристики
- Серія: BIS
- Тип виробу: Реле імпульсне
- Номінальний струм комутації, А: 16
- Ступінь захисту IP: 20
- Напруга, В: 230
-
Система знижок на продукцію F&F™
Від 500 грн
16%
Від 15 000 грн
20%
Додавайте товари до кошика та отримуйте знижку на покупку
Сертифікат офіційного дилера F&F™
Знижки
Діють знижки від суми замовлення у кошику, умови за посиланням.
Зв’язок з нами
Умови
- Працюємо по предоплаті
- Мінімальне замовлення — 500 грн
Оплата
- Оплата картою
- Безготівковий розрахунок за рахунком з ПДВ (для ТОВ, ФОП та інші)
Доставка
- Самовивіз зі складу у Києві можливий лише після узгодження з менеджером.
- Надсилаємо товари перевізниками - Нова Пошта, Delivery, у день оплати за умови надходження коштів до 14:00–15:00. Термін доставки зазвичай складає 1–2 робочі дні по регіонах України.
- Вартість доставки починається від 80 грн відповідно до тарифів перевізника
Захист покупки
- Оригінальна продукція
- Офіційна гарантія від виробника. Підтримка у сервісних випадках
- Повернення протягом 14 днів згідно з умовами повернення
- Відгуки
- Про магазин
- Сертифікати
-
Імпульсне реле BIS-412P 16A 165÷265 AC F&F
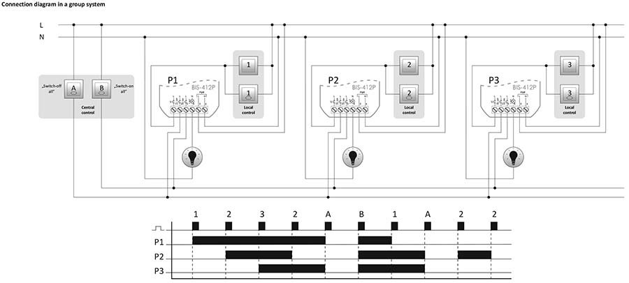
Електронне бистабильное імпульсне реле БІС-412П призначено для групової роботи. Одиночне реле дозволяє включати і вимикати керований приймач після кожного імпульсу струму, викликаного натисканням кнопки миттєвої дії (дзвінка) місцевого керування, підключеного до цього реле.
Групова система дозволяє відключати або включати всі приймачі, підключені до окремих реле, за допомогою центральних кнопок управління.Робота:
Індикація зеленого світлодіода U / R:
* світлодіод блимає (горить: 30 мс / не горить: 1) режим очікування; приймач вимкнений.
* світлодіод горить постійно - приймач включений Місцеве управління РК
Приймач включається після імпульсу, викликаного натисканням будь-якої однієї короткочасної кнопки РК з групи місцевого управління. Після наступного імпульсу приймач вимкнеться.
Центральне управління CC
SWITCH OFF ALL - після імпульсу, викликаного короткочасним натисканням кнопки CCOFF, всі приймачі будуть вимкнені (незалежно від їх статусу - вимкнені або включені).
ВКЛЮЧИТИ ВСІ - після імпульсу, викликаного короткочасним натисканням кнопки CCON, всі приймачі будуть вимкнені (незалежно від їх статусу - вимкнені або включені).
Увага!
BIS-412 230V сумісний з кнопками виклику, оснащеними люмінесцентними лампами. ![]()
| Напруга живлення | 180 ÷ 265 В змінного струму |
| Місцеве управління | ТАК |
| Максимальний струм навантаження AC-1 | 16 А |
| Виконавчий елемент | реле |
| Конфігурація контактів | 1 × НЕМАЄ |
| Поділ контакту | Немає |
| Стійкість до ударних струмів | Немає |
| Кількість каналів | 1 |
| функціональність | група (готель) |
| Затримка операції | 0,1 ÷ 0,2 с |
| Керуючий імпульсний струм | 180 ÷ 265 змін.струму 20 мА |
| Максимальний прд przycisków sterujących | Σ5 мА |
| Співпраця з кнопками з підсвічуванням | ТАК |
| Пам'ять стану після збою живлення | Немає |
| Активувати вчасно | Немає |
| Виділені входи центрального управління | ТАК |
| Радіоуправління | Немає |
| Термінал | вставні клемні колодки 2,5 мм2 |
| Момент затяжки | 0,4 Нм |
| Споживана потужність | 0,7 Вт |
| Енергоспоживання при пробудженні / роботі | 0,15 Вт / 0,6 Вт |
| Робоча температура | -15 ÷ 50 ° С |
| Збірка | у коробці прихованого монтажу Ø60 |
| Маркування захисту від проникнення | IP20 |



Характеристики та комплектація товару можуть змінюватися виробником без попереднього повідомлення.






.jpg)










Кабель та провід










Світлотехніка




























Релейне обладнання


















Щитове обладнання















Системи укладання кабелю




























Стабілізатори напруги

Електрофурнітура


















Лічильники

Вимірювальні прилади























Інвертори
Акумулятори
Зарядні станції
Конвектори
Розпродаж