- ЗНИЖКА У КОШИКУ ДО 20%
Реле контролю фаз CZF-311 TRMS F&F
-
6420CZF-311-TRMSКраїна-виробник: Польща
Характеристики
- Серія: CZF
- Тип виробу: Реле контролю фаз
- Ступінь захисту IP: 20
-
Система знижок на продукцію F&F™
Від 1 500 грн
16%
Від 15 000 грн
20%
Додавайте товари до кошика та отримуйте знижку на покупку
Сертифікат офіційного дилера F&F™
Знижки
Діють знижки від суми замовлення у кошику, умови за посиланням.
Зв’язок з нами
Умови
- Працюємо по предоплаті
- Мінімальне замовлення — 500 грн
Оплата
- Оплата картою
- Безготівковий розрахунок за рахунком з ПДВ (для ТОВ, ФОП та інші)
Доставка
- Самовивіз зі складу у Києві можливий лише після узгодження з менеджером.
- Надсилаємо товари перевізниками - Нова Пошта, Delivery, у день оплати за умови надходження коштів до 14:00–15:00. Термін доставки зазвичай складає 1–2 робочі дні по регіонах України.
- Вартість доставки починається від 80 грн відповідно до тарифів перевізника
Захист покупки
- Оригінальна продукція
- Офіційна гарантія від виробника. Підтримка у сервісних випадках
- Повернення протягом 14 днів згідно з умовами повернення
- Відгуки
- Про магазин
- Сертифікати
-
Реле контролю фаз CZF-311 TRMS F&F
Опис продукту
З регульованим порогом спрацьовування при несиметрії напруги.
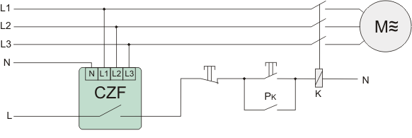
Трифазні монітори служать для захисту трифазних електродвигунів, що живляться від трифазної мережі, від обриву фази принаймні в одній фазі або від міжфазної асиметрії напруги, що загрожує пошкодженням двигуна.

Функціонування
Обрив фази принаймні в одній фазі або дисбаланс напруги між фазами вище встановленого значення спричиняє вимикання двигуна. Вимкнення двигуна відбувається із затримкою 4 секунди, що запобігає випадковому відключенню двигуна при тимчасовому падінні напруги. Повторне підключення відбудеться автоматично при підвищенні напруги на 5 В вище напруги активації (тобто значення гістерезису напруги). При виникненні цих порушень неможливо привести двигун в рух.
| Напруга живлення | 3 × 400 В + Н |
| Співпраця з виробниками електроенергії | НІ |
| Обрив фази / моніторинг асиметрії | ТАК |
| Контроль послідовності фаз | НІ |
| Контроль контактів контактора | НІ |
| Виконавчий елемент | реле |
| Максимальний струм навантаження | 10 А |
| Конфігурація контактів | 1 × NO/NC |
| Роз'єднання контакту | ТАК |
| Асиметрія напруги | 40÷80 В |
| Гістерезис напруги | 5 В |
| Затримка вимкнення | 4 с |
| Контроль потужності | 3 × LED зелений |
| Термінал | роз'ємні клеми 2,5 мм² |
| Момент затягування | 0,4 Нм |
| Споживання енергії | 0,56 Вт |
| Робоча температура | -25÷40°C |
| Розміри | 1 модуль (18 мм) |
| Збірка | на рейку 35 мм |
| Маркування захисту від проникнення | IP20 |
| TrueRMS | ТАК |

Система, яка запобігає автоматичному перезапуску двигуна після відновлення живлення

Характеристики та комплектація товару можуть змінюватися виробником без попереднього повідомлення.







.jpg)









Кабель та провід










Світлотехніка


























Релейне обладнання

















Щитове обладнання















Системи укладання кабелю






























Стабілізатори напруги

Електрофурнітура



















Лічильники

Вимірювальні прилади





















.png)


Альтернативна енергетика


Елементи живлення
Зарядки для електромобілів
Генератори
Розпродаж