- ЗНИЖКА У КОШИКУ-10%
Реле контролю фаз CZF-310 F&F
-
5622CZF-310Країна-виробник: Польща
Характеристики
- Серія: CZF
- Тип виробу: Реле контролю фаз
- Ступінь захисту IP: 20
- Максимальний струм, А: 10
-
Система знижок на продукцію F&F™
Від 500 грн
16%
Від 15 000 грн
20%
Додавайте товари до кошика та отримуйте знижку на покупку
Сертифікат офіційного дилера F&F™
Знижки
Діють знижки від суми замовлення у кошику, умови за посиланням.
Зв’язок з нами
Умови
- Працюємо по предоплаті
- Мінімальне замовлення — 500 грн
Оплата
- Оплата картою
- Безготівковий розрахунок за рахунком з ПДВ (для ТОВ, ФОП та інші)
Доставка
- Самовивіз зі складу у Києві можливий лише після узгодження з менеджером.
- Надсилаємо товари перевізниками - Нова Пошта, Delivery, у день оплати за умови надходження коштів до 14:00–15:00. Термін доставки зазвичай складає 1–2 робочі дні по регіонах України.
- Вартість доставки починається від 80 грн відповідно до тарифів перевізника
Захист покупки
- Оригінальна продукція
- Офіційна гарантія від виробника. Підтримка у сервісних випадках
- Повернення протягом 14 днів згідно з умовами повернення
- Відгуки
- Про магазин
- Сертифікати
-
Реле контролю фаз CZF-310 F&F
Відмітні особливості реле:
Асиметрія 55 В, мінімальна напруга 160, затримка відключення 3-5 с, контакт 1NO/NC, контакти реле дозволяють видавати інформацію про аварійному відключенні
Призначення
Реле контролю фаз CZF-310 призначене для захисту електродвигунів та електроустановок, підключених до трифазної мережі, у випадках:
1. Відсутності напруги хоча б в одній з фаз.
2. Асиметрії напруги.
3. Зниження напруги менше 160 Ст.
4. Обриву нульового проводу.
Область застосування
Застосовується для захисту електродвигунів та електроустановок, що живляться від трифазної мережі.
Особливості
1. Контроль наявності фаз.
2. Контроль асиметрії між фазами.
3. Контроль нижнього значення напруги.
4. Контроль обриву нульового проводу.
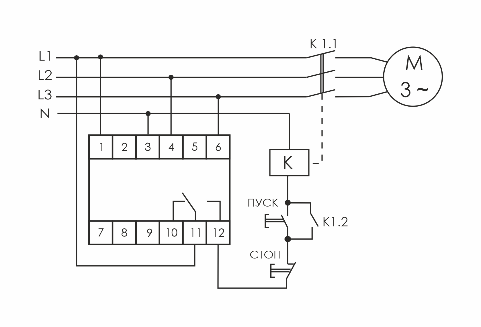
Принцип роботи
Якщо напруга в межах норми, контакти виконавчого реле 11-12 замкнуті і на котушку контактора управління електродвигуном подається напруга, що управляє його включенням. У випадку однієї з перерахованих вище аварійних ситуацій контакти реле розмикаються і контактор вимикається. Включення відбувається автоматично після відновлення напруги живлення.
Технічні характеристики
| Артикул | EA04.001.005 |
| Код ETIM | EC001441 |
| Напруга живлення, В/Гц | 3x400/230+N / 50 |
| Максимальнай комутований струм, А | 8 АС-1 / 250В |
| Максимальна потужність навантаження | див. табл. 1 РЕ |
| Максимальний струм котушки контактора, А | 2 |
| Контакт | 1NO/NC |
| Індикація | світлодіод в кожній фазі |
| Асиметрія напруги, В | 55 |
| Напруга відключення при падінні напруги у фазах, В | 160 |
| Затримка вимкнення, з | |
| - при асиметрії | 3...5 |
| - при падінні напруги | 3...5 |
| - при обриві фази | 0,1 |
| Гістерезис, В | 5 |
| Споживана потужність, не більше, Вт | 1,6 |
| Діапазон робочих температур,°С | -25...+50 |
| Ступінь захисту | ІР20 |
| Комутаційна зносостійкість, циклів | >100000 |
| Ступінь забруднення середовища | 2 |
| Категорія перенапруги | III |
| Габарити (ШхВхГ), мм | 18х90х65 |
| Підключення (гвинтові затискачі) | 2,5 мм2 |
| Тип корпусу | 1S |
| Маса, г | 70 |
| Монтаж | на DIN-рейці 35 мм |
| Момент затягування гвинтового з'єднання, Нм | 0,4 |
Схема підключення

Характеристики та комплектація товару можуть змінюватися виробником без попереднього повідомлення.








.jpg)










Кабель та провід










Світлотехніка




























Релейне обладнання


















Щитове обладнання















Системи укладання кабелю




























Стабілізатори напруги

Електрофурнітура


















Лічильники

Вимірювальні прилади























Інвертори
Акумулятори
Зарядні станції
Конвектори
Розпродаж