- ЗНИЖКА У КОШИКУ-10%
Автомат захисту електродвигунів CZF-312 F&F
-
5624CZF-312Країна-виробник: Польща
Характеристики
- Серія: CZF
- Тип виробу: Реле контролю напруги, Реле контролю фаз, Реле захисту електродвигуна
- Ступінь захисту IP: 20
- Тип монтажу: На DIN рейку
-
Система знижок на продукцію F&F™
Від 500 грн
16%
Від 15 000 грн
20%
Додавайте товари до кошика та отримуйте знижку на покупку
Сертифікат офіційного дилера F&F™
Знижки
Діють знижки від суми замовлення у кошику, умови за посиланням.
Зв’язок з нами
Умови
- Працюємо по предоплаті
- Мінімальне замовлення — 500 грн
Оплата
- Оплата картою
- Безготівковий розрахунок за рахунком з ПДВ (для ТОВ, ФОП та інші)
Доставка
- Самовивіз зі складу у Києві можливий лише після узгодження з менеджером.
- Надсилаємо товари перевізниками - Нова Пошта, Delivery, у день оплати за умови надходження коштів до 14:00–15:00. Термін доставки зазвичай складає 1–2 робочі дні по регіонах України.
- Вартість доставки починається від 80 грн відповідно до тарифів перевізника
Захист покупки
- Оригінальна продукція
- Офіційна гарантія від виробника. Підтримка у сервісних випадках
- Повернення протягом 14 днів згідно з умовами повернення
- Відгуки
- Про магазин
- Сертифікати
-
Автомат захисту електродвигунів CZF-312 F&F
Відмітні особливості реле:
Асиметрія регульована 40-80 В, мінімальна напруга 160, затримка відключення 0,3 с, контакт 1NO, 1NC.
Призначення
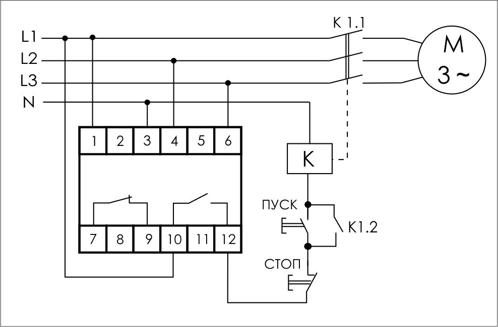
Автомат захисту електродвигунів CZF-312 призначений для захисту електродвигунів та електроустановок, що живляться від трифазної мережі у випадках: відсутності хоча б однієї з фаз, асиметрії напруги, мінімальна напруга 160В, обриву нульового проводу.
Принцип роботи
Якщо параметри мережі, що живить електродвигун, в межах норми, то контакти виконавчого реле 10, 12 замкнуті і на котушку контактора електродвигуна подається напруга, що управляє його включенням. У випадку однієї з вище перерахованих аварійних ситуацій контакти реле розмикаються з затримкою <0,3 с і контактор вимикається. Включення відбувається автоматично після відновлення напруги живлення.
Технічні характеристики
| Артикул | EA04.001.007 |
| Код ETIM | EC001441 |
| Напруга живлення | 3x400/230 В +N; 50 Гц |
| Максимальний струм котушки контактора | 2 А |
| Контакт | 1NO, 1NC |
| Сигналізація харчування | світлодіод в кожній фазі |
| Максимальна асиметрія напруги (регульована) | 40-80 В |
| Гістерезис | П'ять |
| Напруга відключення: | |
| при падінні напруги у фазах | Сто шістдесят |
| при підвищенні напруги у фазах | - |
| Затримка вимкнення | <0,3 с |
| Діапазон робочих температур | від -25 до +50°С |
| Споживана потужність | 0,8 Вт |
| Ступінь захисту | IP20 |
| Габарити (ШхВхГ) | 18х90х65 мм |
| Тип корпусу (див. Додаток 1) | 1S |
Схема підключення

Характеристики та комплектація товару можуть змінюватися виробником без попереднього повідомлення.








.jpg)










Кабель та провід










Світлотехніка




























Релейне обладнання


















Щитове обладнання















Системи укладання кабелю




























Стабілізатори напруги

Електрофурнітура


















Лічильники

Вимірювальні прилади























Інвертори
Акумулятори
Зарядні станції
Конвектори
Розпродаж