- ЗНИЖКА У КОШИКУ ДО 20%
Реле пропадання фаз CZF-332 F&F
-
5626CZF-332Країна-виробник: Польща
Характеристики
- Серія: CZF
- Тип виробу: Реле пропадання фаз
- Ступінь захисту IP: 20
- Тип монтажу: На DIN рейку
-
Система знижок на продукцію F&F™
Від 1 500 грн
16%
Від 15 000 грн
20%
Додавайте товари до кошика та отримуйте знижку на покупку
Сертифікат офіційного дилера F&F™
Знижки
Діють знижки від суми замовлення у кошику, умови за посиланням.
Зв’язок з нами
Умови
- Працюємо по предоплаті
- Мінімальне замовлення — 500 грн
Оплата
- Оплата картою
- Безготівковий розрахунок за рахунком з ПДВ (для ТОВ, ФОП та інші)
Доставка
- Самовивіз зі складу у Києві можливий лише після узгодження з менеджером.
- Надсилаємо товари перевізниками - Нова Пошта, Delivery, у день оплати за умови надходження коштів до 14:00–15:00. Термін доставки зазвичай складає 1–2 робочі дні по регіонах України.
- Вартість доставки починається від 80 грн відповідно до тарифів перевізника
Захист покупки
- Оригінальна продукція
- Офіційна гарантія від виробника. Підтримка у сервісних випадках
- Повернення протягом 14 днів згідно з умовами повернення
- Відгуки
- Про магазин
- Сертифікати
-
Реле пропадання фаз CZF-332 F&F
Відмітні особливості реле:
Асиметрія 40-80 В, напруга відключення 160, затримка відключення 3-5 с, контакт 1NO/NC. Гальванічно ізольовані контакти реле. Контакти реле дозволяють видавати інформацію про аварійному відключенні
Призначення
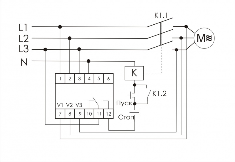
Реле CZF-332 призначене для захисту електродвигунів та електроустановок, що живляться від трифазної мережі у випадках: відсутності хоча б однієї з фаз, зниження напруги менше встановленої величини, асиметрії напруги, пошкодження контактів контактора.
Принцип роботи
Якщо параметри мережі, що живить електродвигун, в межах норми, то контакти виконавчого реле 7,8 замкнуті і на котушку контактора електродвигуна подається напруга, що управляє його включенням. У випадку однієї з перерахованих вище аварійних ситуацій контакти реле розмикаються і контактор вимикається. Вимкнення у 2 випадку відбувається із затримкою 3-5 сек. У випадку 1 виріб вимикається із затримкою 0,1 сек. Включення відбувається автоматично після відновлення напруги живлення. У випадку 3 включення виробу відбувається після повного зняття напруги і подальшої його подачі.
Технічні характеристики
| Артикул | EA04.003.004 |
| Код ETIM | EC001441 |
| Напруга живлення | 3x400/230 B +N; 50 Гц |
| Максимальний струм котушки контактора | 2 А |
| Контакт | 1NO/NC |
| Сигналізація включення навантаження | зелений світлодіод |
| Сигналізація аварії контактора | червоний світлодіод |
| Напруга відключення | Сто шістдесят |
| Асиметрія напруги | 40-80 В |
| Гістерезис | П'ять |
| Затримка вимкнення | 3-5 с |
| Діапазон робочих температур | від -25 до +50°С |
| Споживана потужність | 1,6 Вт |
| Габарити (ШхВхГ) | 52,5х90х65 мм |
| Тип корпусу (див. Додаток 1) | 3S |
Схема підключення

Характеристики та комплектація товару можуть змінюватися виробником без попереднього повідомлення.







.jpg)









Кабель та провід










Світлотехніка


























Релейне обладнання

















Щитове обладнання















Системи укладання кабелю






























Стабілізатори напруги

Електрофурнітура



















Лічильники

Вимірювальні прилади





















.png)


Альтернативна енергетика


Елементи живлення
Зарядки для електромобілів
Генератори
Розпродаж