- ЗНИЖКА У КОШИКУ ДО 20%
Реле пропадання чергування фаз і напруги CKF-318-1 F&F
-
5631CKF-318-1Країна-виробник: Польща
Характеристики
- Серія: CKF
- Тип виробу: Реле контролю фаз
- Ступінь захисту IP: 20
-
Система знижок на продукцію F&F™
Від 1 500 грн
16%
Від 15 000 грн
20%
Додавайте товари до кошика та отримуйте знижку на покупку
Сертифікат офіційного дилера F&F™
Знижки
Діють знижки від суми замовлення у кошику, умови за посиланням.
Зв’язок з нами
Умови
- Працюємо по предоплаті
- Мінімальне замовлення — 500 грн
Оплата
- Оплата картою
- Безготівковий розрахунок за рахунком з ПДВ (для ТОВ, ФОП та інші)
Доставка
- Самовивіз зі складу у Києві можливий лише після узгодження з менеджером.
- Надсилаємо товари перевізниками - Нова Пошта, Delivery, у день оплати за умови надходження коштів до 14:00–15:00. Термін доставки зазвичай складає 1–2 робочі дні по регіонах України.
- Вартість доставки починається від 80 грн відповідно до тарифів перевізника
Захист покупки
- Оригінальна продукція
- Офіційна гарантія від виробника. Підтримка у сервісних випадках
- Повернення протягом 14 днів згідно з умовами повернення
- Відгуки
- Про магазин
- Сертифікати
-
Реле пропадання чергування фаз і напруги CKF-318-1 F&F
Відмітні особливості реле:
Напруга 3х400 Ст. Асиметрія 55 Ст. контакт 2NO/NC, 8А. Можливість вибору режиму роботи. Контроль нижнього і верхнього порогу напруги.
Призначення
CKF-318-1 призначений для захисту електродвигунів та електроустановок, що живляться від трифазної мережі у випадках: відсутності хоча б однієї з фаз, зниження напруги менше встановленої величини, підвищення напруги більше встановленої величини, асиметрії напруги, порушення послідовності і злипання фаз.
Огляд на каналі 
Відмітні особливості:
- можливість вибору режиму роботи;
- регулювання затримки відключення;
- контроль нижнього і верхнього порогу напруги.
Технічні характеристики
| Артикул | EA04.002.007 |
| Код ETIM | EC001441 |
| Напруга живлення | 3x400+N; 230В, 50 Гц |
| Максимальний струм контактів реле | 2х8 А АС1 / 250 В АС |
| Максимальний струм котушки контактора | 2 А |
| Контакт | 2NO/NC |
| Сигналізація аварії | червоний світлодіод |
| Сигналізація включення навантаження | жовтий світлодіод |
| Напруга відключення при падінні напруги у фазах | 150-210 В |
| Напруга відключення при підвищенні напруги у фазах | 240-280 В |
| Асиметрія напруги | У 55 |
| Гістерезис | П'ять |
| Затримка відключення: | |
| - при асиметрії (регульована) | 0,5-15 з |
| - при падінні напруги у фазах | 0,5-15 з |
| - при підвищенні напруги у фазах | 0,3 с |
| Діапазон робочих температур | від -25 до +50°С |
| Споживана потужність | 1,6 Вт |
| Ступінь захисту | IP20 |
| Комутаційна зносостійкість | >100000 циклів |
| Ступінь забруднення середовища | 2 |
| Категорія перенапруги | III |
| Маса | 0,073 кг |
| Габарити (ШхВхГ) | 18х90х65 мм |
| Підключення | гвинтові затискачі 2,5 мм2 |
| Тип корпусу (див. Додаток 1) | 1S |
| Монтаж | на DIN-рейці 35 мм |
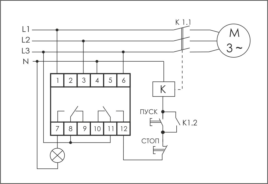
Схема підключення

Характеристики та комплектація товару можуть змінюватися виробником без попереднього повідомлення.






.jpg)









Кабель та провід










Світлотехніка


























Релейне обладнання

















Щитове обладнання















Системи укладання кабелю






























Стабілізатори напруги

Електрофурнітура



















Лічильники

Вимірювальні прилади





















.png)


Альтернативна енергетика


Елементи живлення
Зарядки для електромобілів
Генератори
Розпродаж