- ЗНИЖКА У КОШИКУ-10%

Термореле CR-810 DUO 220В 16A 1S (РТ-810) F&F
-
2179CR-810DUOКраїна-виробник: Польща
Характеристики
- Серія: CR
- Тип виробу: Термореле
- Номінальний струм комутації, А: 16
- Максимальна робоча температура, град.: 50
- Мінімальна робоча температура, град.: -25
-
Система знижок на продукцію F&F™
Від 500 грн
16%
Від 15 000 грн
20%
Додавайте товари до кошика та отримуйте знижку на покупку
Сертифікат офіційного дилера F&F™
Знижки
Діють знижки від суми замовлення у кошику, умови за посиланням.
Зв’язок з нами
Умови
- Працюємо по предоплаті
- Мінімальне замовлення — 500 грн
Оплата
- Оплата картою
- Безготівковий розрахунок за рахунком з ПДВ (для ТОВ, ФОП та інші)
Доставка
- Самовивіз зі складу у Києві можливий лише після узгодження з менеджером.
- Надсилаємо товари перевізниками - Нова Пошта, Delivery, у день оплати за умови надходження коштів до 14:00–15:00. Термін доставки зазвичай складає 1–2 робочі дні по регіонах України.
- Вартість доставки починається від 80 грн відповідно до тарифів перевізника
Захист покупки
- Оригінальна продукція
- Офіційна гарантія від виробника. Підтримка у сервісних випадках
- Повернення протягом 14 днів згідно з умовами повернення
- Відгуки
- Про магазин
- Сертифікати
-
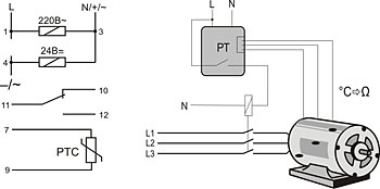
Призначення: термореле CR-810 призначений для захисту електроприладів від перегріву з використанням термісторів РТС
Дія: у нормальному режимі роботи, коли присутня напруга живлення, а також температура контрольованого пристрою знаходиться в межах норми, а також ланцюг підключення термісторів є справною - контакти термореле 3 і 7 залишаються в замкнутому стані. Зростання температури хоча б одного з датчиків (термісторів) призводить до збільшення його опору і, якщо значення його перевищить 3000 Ом, контакти 3 і 7 розімкнуться. Якщо опір датчиків знизиться до 1800 Ом (температура контрольованого пристрою стала нормальною), то контакти 3 і 7 замкнуться. Контакти 3 і 7 реле також розмикаються, якщо опір датчиків знизиться нижче 15 Ом або якщо пропаде напруга живлення пристрою.
| Технічні характеристики: | |
| напруга живлення | 220 В |
| максимальний струм навантаження | 16 А |
| контакти вихідного реле | 1 перемикаючий |
| опір термісторів | |
| спрацьовування термореле | R>3000 і R |
| повернення термореле | 60 |
| макс. опір петлі в холодному стані | 1500 Ом |
| витривалість контактів | 105 включень |
| ступінь захисту пристрою | IP40 |
| приєднання проводів | затискачі гвинтові 2,5 мм2 |
| діапазон робочих температур | від -25°С до +50°С |
| габаритні розміри | 1 модуль типу S (17,5 мм) |
| монтаж пристрою | на DIN-рейці 35 мм |

Характеристики та комплектація товару можуть змінюватися виробником без попереднього повідомлення.




.jpg)










Кабель та провід










Світлотехніка




























Релейне обладнання


















Щитове обладнання















Системи укладання кабелю




























Стабілізатори напруги

Електрофурнітура


















Лічильники

Вимірювальні прилади























Інвертори
Акумулятори
Зарядні станції
Конвектори
Розпродаж