- ЗНИЖКА У КОШИКУ-10%
Реле рівня рідини PZ-818 без регулювання з зондом 2-рівневе 8А 1S F&F
-
5023PZ-818Країна-виробник: Польща
Характеристики
- Серія: PZ
- Тип виробу: Реле контролю рівня рідини
- Номінальний струм комутації, А: 8
- Тип монтажу: На DIN рейку
- Максимальна робоча температура, град.: 50
- Мінімальна робоча температура, град.: -25
-
Система знижок на продукцію F&F™
Від 500 грн
16%
Від 15 000 грн
20%
Додавайте товари до кошика та отримуйте знижку на покупку
Сертифікат офіційного дилера F&F™
Знижки
Діють знижки від суми замовлення у кошику, умови за посиланням.
Зв’язок з нами
Умови
- Працюємо по предоплаті
- Мінімальне замовлення — 500 грн
Оплата
- Оплата картою
- Безготівковий розрахунок за рахунком з ПДВ (для ТОВ, ФОП та інші)
Доставка
- Самовивіз зі складу у Києві можливий лише після узгодження з менеджером.
- Надсилаємо товари перевізниками - Нова Пошта, Delivery, у день оплати за умови надходження коштів до 14:00–15:00. Термін доставки зазвичай складає 1–2 робочі дні по регіонах України.
- Вартість доставки починається від 80 грн відповідно до тарифів перевізника
Захист покупки
- Оригінальна продукція
- Офіційна гарантія від виробника. Підтримка у сервісних випадках
- Повернення протягом 14 днів згідно з умовами повернення
- Відгуки
- Про магазин
- Сертифікати
-
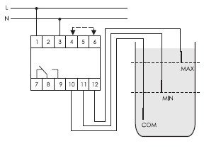
РЕЛЕ КОНТРОЛЮ РІВНЯ PZ-818 - призначений для контролю і підтримки заданого рівня струмопровідних рідин у резервуарах, басейнах, водонапірних баштах, системах автоматичного поливу, дачних душових установок.
Реле контролює наявність рідини на двох рівнях. Якщо рівень рідини опускається нижче мінімального — замикаються контакти включення наповнює резервуар насоса. При досягненні рідиною верхнього рівня - насос автоматично вимикається. Також можливе використання реле і для відкачування рідини.
Реле не використовуються для контролю дистильованої води, бензину, масла, гасу, етиленгліколю, скрапленого газу.
Реле контролює наявність рідини на двох рівнях. Режим наповнення резервуара: якщо рівень рідини опускається нижче мінімального, замикаються контакти 7-9; при досягненні верхнього рівня замикаються контакти 7-8. Режим відкачування рідини з резервуара (встановлена перемичка між контактами 4-6): якщо рівень рідини опускається нижче мінімального, замикаються контакти 7-8; при досягненні верхнього рівня замикаються контакти 7-9.
Функціональні можливості:
- регулювання часу затримки перемикання реле;
- роздільні регулювання чутливості по верхньому і нижньому рівнях;
- вибір режиму роботи — наповнення або відкачування рідини.
| Напруга живлення, В |
50...264 АС/DC
|
| Максимальний комутований струм (АС1), А |
8
|
| Контакт: NO/NC-перемикаючий |
1×NO/NC
|
| Індикація |
Світлодіодна
|
| Кількість контрольованих рівнів |
2
|
| Напруга живлення датчика, В |
10
|
| Струм споживання датчика, не більше, мА |
2
|
| Чутливість, регульована, кОм |
5...150
|
| Діапазон робочих температур, °С |
-25...+50
|
| Споживана потужність, Вт |
2
|
| Габарити (ШхВхГ), мм |
18х90х65
|
| Тип корпусу |
1S
|
| Монтаж |
на DIN рейку
|
Характеристики та комплектація товару можуть змінюватися виробником без попереднього повідомлення.









.jpg)










Кабель та провід










Світлотехніка




























Релейне обладнання


















Щитове обладнання















Системи укладання кабелю




























Стабілізатори напруги

Електрофурнітура


















Лічильники

Вимірювальні прилади























Інвертори
Акумулятори
Зарядні станції
Конвектори
Розпродаж