- СКИДКА В КОРЗИНЕ-10%
Автомат защиты электродвигателей CKF-316 F&F
-
5630CKF-316Страна-производитель: Польша
Характеристики
- Серия: CKF
- Тип изделия: Реле контроля напряжения, Реле контроля фаз, Реле защиты электродвигателя
- Номинальный ток коммутации, А: 16
- Степень защиты IP: 20
-
Система скидок на продукцию F&F™
От 500 грн
16%
От 15 000 грн
20%
Добавляйте товары в корзину и получайте скидку на покупку
Сертификат официального дилера F&F™
Скидки
Действуют скидки от суммы заказа в корзине, условия по ссылке.
Связь с нами
Условия
- Работаем по предоплате
- Минимальный заказ — 500 грн
Оплата
- Оплата картой
- Безналичный расчет по счету с НДС (для ООО, ЧП, ФЛП и другие)
Доставка
- Самовывоз со склада в Киеве осуществляется только после согласования с менеджером.
- Отправляем товары перевозчиками - Новая Почта, Delivery, в день оплаты при условии поступления средств до 14:00–15:00. Срок доставки обычно составляет 1–2 рабочих дня по регионам Украины
- Стоимость доставки начинается от 80 грн в соответствии с тарифами перевозчика
Защита покупки
- Оригинальная продукция
- Официальная гарантия от производителя. Поддержка в сервисных случаях
- Возврат в течение 14 дней согласно условиям возврата
- Отзывы
- О магазине
- Сертификаты
-
Автомат CKF для защиты элветродвигателей и электроустановок F&F
Отличительные особенности реле:
Асимметрия 55 В, минимальное напряжение 160 В, задержка отключения 3-5 с, контакт 1NO/NC. Контакты реле позволяют выдавать информацию об аварийном отключении
Назначение
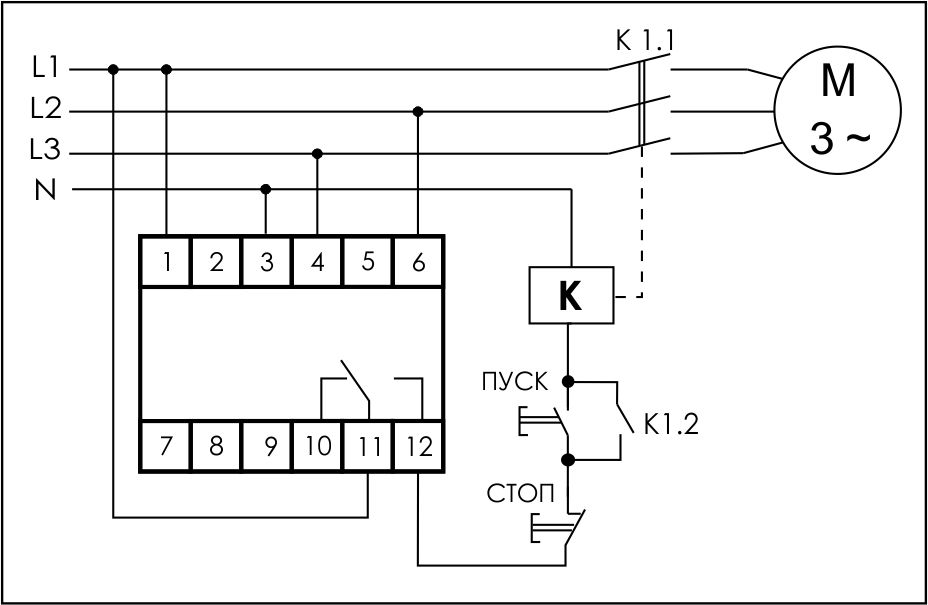
Автомат защиты электродвигателей CKF-316 предназначен для защиты электродвигателей и электроустановок, питаемых от трехфазной сети в случаях: отсутствия хотя бы одной из фаз, асимметрии напряжения, снижения напряжения ниже 160В, обрыва нулевого провода, нарушения чередования фаз.
Принцип работы
Если параметры сети, питающей электродвигатель, в пределах нормы, то контакты исполнительного реле 11,12 замкнуты и на катушку контактора электродвигателя подается напряжение, управляющее его включением. В случае одной из вышеперечисленных аварийных ситуаций контакты реле размыкаются и контактор отключается. Выключение в случае асимметрии и снижения напряжения меньше установленной величины происходит с задержкой 3-5 с. В случае отсутствия хотя бы одной из фаз, обрыва нулевого провода и нарушения чередования фаз изделие выключается с задержкой 0,1 с. Включение происходит автоматически после восстановления сетевого напряжения питания.
Технические характеристики
| Артикул | EA04.002.005 |
| Код ETIM | EC001441 |
| Напряжение питания | 3x400/230 В +N; 50 Гц |
| Максимальный ток катушки контактора | 2 А |
| Контакт | 1NO/NC |
| Сигнализация питания | зеленый светодиод |
| Сигнализация аварии | красный светодиод |
| Асимметрия напряжения (регулируемая) | 55 В |
| Гистерезис | 5 В |
| Напряжение отключения: | |
| при падении напряжения в фазах | 160 В |
| при повышении напряжения в фазах | - |
| Задержка отключения | 3-5 с |
| Диапазон рабочих температур | от -25 до +50°С |
| Потребляемая мощность | 1,6 Вт |
| Степень защиты | IP20 |
| Габариты (ШхВхГ) | 18х90х65 мм |
| Тип корпуса (см. Приложение 1) | 1S |
Схема подключения

Характеристики и комплектация товара могут изменяться производителем без предварительного уведомления.





.jpg)










Кабель и провод










Светотехника




























Релейное оборудование


















Щитовое оборудование















Системы укладки кабеля




























Стабилизаторы напряжения

Электрофурнитура


















Счетчики

Измерительные приборы























Инверторы
Аккумуляторы
Зарядные станции
Конвекторы
Распродажа