- СКИДКА В КОРЗИНЕ ДО 20%
Счетчик импульсов CLI-02 F&F
-
5814CLI-02Страна-производитель: Польша
Характеристики
- Серия: CLI
- Тип изделия: Счетчик импульсов
- Максимальная рабочая температура, °С: 50
- Минимальная рабочая температура, °С: -30
-
Система скидок на продукцию F&F™
От 1 500 грн
16%
От 15 000 грн
20%
Добавляйте товары в корзину и получайте скидку на покупку
Сертификат официального дилера F&F™
Скидки
Действуют скидки от суммы заказа в корзине, условия по ссылке.
Связь с нами
Условия
- Работаем по предоплате
- Минимальный заказ — 500 грн
Оплата
- Оплата картой
- Безналичный расчет по счету с НДС (для ООО, ЧП, ФЛП и другие)
Доставка
- Самовывоз со склада в Киеве осуществляется только после согласования с менеджером.
- Отправляем товары перевозчиками - Новая Почта, Delivery, в день оплаты при условии поступления средств до 14:00–15:00. Срок доставки обычно составляет 1–2 рабочих дня по регионам Украины
- Стоимость доставки начинается от 80 грн в соответствии с тарифами перевозчика
Защита покупки
- Оригинальная продукция
- Официальная гарантия от производителя. Поддержка в сервисных случаях
- Возврат в течение 14 дней согласно условиям возврата
- Отзывы
- О магазине
- Сертификаты
-
Отличительные особенности реле:
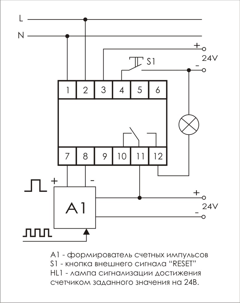
Счетчик импульсов. Вход счетчика: напряжение низкого уровня 0-5 В AC/DC напряжение высокого уровня 10-264 В AC/DC
Назначение
Счетчик импульсов предназначен для подсчета импульсов напряжения переменного или постоянного тока (AC/DC) поступающих от внешних устройств с целью определения количества выполненных циклов работы в системах автоматизации.
Область применения
Например, для подсчета количества ударов пресса, количества оборотов, количества единиц продукции сходящей с конвейера и т.д.
Принцип работы
Счетчик CLI-02 - универсальный, способ действия его зависит от выбранных установок.
Особенности:
- Панель управления дает возможность запрограммировать и контролировать работу устройства;
- вход счетчика приспособлен к работе с сигналами AC/DC с амплитудой от 10В до 264В и частотой до 50Гц для сигналов переменного тока (АС) и 5кГц для сигналов постоянного тока (DC);
- программируемый в диапазоне 1 - 99 999 999 параметр Prog (Порог) определяет предельное количеств импульсов, которые могут быть подсчитаны в каждом рабочем цикле;
- внешний вход для обнуления RESET;
- релейный выход, сигнализирующий окончание заданного цикла счетчика(замкнуты контакты 11-12 8А);
- локальный счетчик, который обнуляется при помощи внешнего входа или кнопкой RESET;
- возможность автоматического обнуления локального счетчика (работа в замкнутом цикле) с возможностью установки выбранного состояния реле;
- выбор действия реле: импульс в заданном промежутке времени, смена положения ВКЛ -> ВЫКЛ или ВЫКЛ -> ВКЛ;
- общий счетчик(TOTAL), считывающий все импульсы (работа в замкнутом цикле 0-> 99 999 999-> 0-> .... или обнуляемый из программируемого меню счетчика);
- выбор Zbocze (Край) входного импульса (нарастающего или убывающего) на который будет реагировать счетчик;
- цифровой фильтр для ограничения максимальной частоты подсчитываемых импульсов(для отсечения помех на входе счетчика);
- функция “обратного отсчета» от заданного значения с сигнализацией значения «ноль» (9999->0);
- энергонезависимая память установок локального и глобального счетчиков;
- градуировка значения подсчитанных импульсов согласно заданного множителя или делителя;
- блокируемый доступ в программируемое меню с помощью PIN-кода;
- определение порядка подсветки дисплея;
- многоуровневое меню счетчика на трех языках: русском, английском и польском.
Технические характеристики
| Артикул | EA16.001.002 |
| Код ETIM | EC002300 |
| Напряжение питания | 24-264 В AC/DC |
| Максимальный коммутируемый ток (AC1) | 8А |
| Контакт | 1NO/NC |
| Вход счетчика: | |
| напряжение низкого уровня | 0-5 В AC/DC |
| напряжение высокого уровня | 10-264 В AC/DC |
| частота постоянного тока, не больше | 5 кГц |
| частота переменного тока, не больше | 50 Гц |
| Внешний вход RESET | 24-264 В AC/DC |
| Диапазон рабочих температур | -25 - +50 С |
| Степень защиты | IP20 |
| Коммутационная износостойкость | >100000 циклов |
| Потребляемая мощность | 1,5 Вт |
| Габариты (ШхВхГ) | 52х90х65 мм |
| Подключение | винтовые зажимы 2,5 мм2 |
| Тип корпуса | 3S |
| Монтаж | на DIN-рейку 35 мм |
Схема подключения

Характеристики и комплектация товара могут изменяться производителем без предварительного уведомления.






.jpg)









Кабель и провод










Светотехника


























Релейное оборудование

















Щитовое оборудование















Системы укладки кабеля






























Стабилизаторы напряжения

Электрофурнитура



















Счетчики

Измерительные приборы





















.png)


Альтернативная энергетика


Элементы питания
Зарядки для электромобилей
Генераторы
Распродажа