- СКИДКА В КОРЗИНЕ ДО 20%
Реле напряжения CP-733 3х16А F&F
-
5634CP-733Страна-производитель: Польша
Характеристики
- Серия: CP
- Тип изделия: Реле напряжения
- Номинальный ток коммутации, А: 16
- Количество фаз: 3
- Степень защиты IP: 63
- Тип монтажа: На DIN рейку
-
Система скидок на продукцию F&F™
От 1 500 грн
16%
От 15 000 грн
20%
Добавляйте товары в корзину и получайте скидку на покупку
Сертификат официального дилера F&F™
Скидки
Действуют скидки от суммы заказа в корзине, условия по ссылке.
Связь с нами
Условия
- Работаем по предоплате
- Минимальный заказ — 500 грн
Оплата
- Оплата картой
- Безналичный расчет по счету с НДС (для ООО, ЧП, ФЛП и другие)
Доставка
- Самовывоз со склада в Киеве осуществляется только после согласования с менеджером.
- Отправляем товары перевозчиками - Новая Почта, Delivery, в день оплаты при условии поступления средств до 14:00–15:00. Срок доставки обычно составляет 1–2 рабочих дня по регионам Украины
- Стоимость доставки начинается от 80 грн в соответствии с тарифами перевозчика
Защита покупки
- Оригинальная продукция
- Официальная гарантия от производителя. Поддержка в сервисных случаях
- Возврат в течение 14 дней согласно условиям возврата
- Отзывы
- О магазине
- Сертификаты
-
Реле напряжения CP-733 3х16А F&F
Отличительные особенности реле:
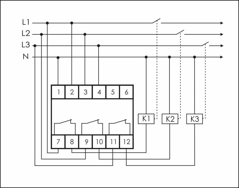
Нижний предел 150-210 В, Верхний предел 240-270 В, отдельный контакт на каждую фазу контакт 3NC, 3х16 А.
Назначение
Для непрерывного контроля величины напряжения и защиты электро-оборудования или выдачи сигнала управления в схему сигнализации при выходе значения напряжения за установленные пределы.
Принцип работы
При установке потенциометра в положение «OFF» отключение реле по соответствующему порогу производится не будет. Реле имеет 3 независимых выхода для каждой фазы.
Область применения
Применяется в схемах автоматизации, управления, сигнализации в вводных и распределительных щитах. Использование в сферах, где необходима защита однофазных и/или трехфазных нагрузок от повышенного/пониженного напряжения питания.
Технические характеристики
| Артикул | EA04.009.006 |
| Код ETIM | EC001438 |
| Напряжение питания, В | 3х(50…450)+N |
| Максимальный коммутируемый ток, А | 3х16 АС-1/250 В АС |
| Максимальная мощность нагрузки | cм. табл.1 в РЭ |
| Контакт | 3NC |
| Индикация | 4 светодиода |
| Диапазон уставок напряжений, В: | |
| -нижний порог | 150…210 |
| -верхний порог | 240…270 |
| Задержка отключения, с:* | |
| -нижний порог | 1…15 |
| -верхний порог | 0,3 |
| * В случаях понижения напряжения ниже 100 В реле отключается за время 0,3 с, при превышении напряжения свыше 300 В реле отключается за время 0,1 с. | |
| Время повторного включения, с | 1,5 |
| Гистерезис, В | 5 |
| Потребляемая мощность, Вт | 1,5 |
| Диапазон рабочих температур, °С | -25…+50 |
| Степень защиты | IP20 |
| Коммутационная износостойкость, циклов | >105 |
| Степень загрязнения среды | 2 |
| Категория перенапряжения | III |
| Габариты (ШхВхГ), мм | 52х90х65 |
| Подключение винтовые зажимы | 2,5 мм2 |
| Момент затяжки винтового соединения, Нм | 0,5 |
| Тип корпуса | 3S |
| Монтаж | DIN-рейка 35 мм |
Схема подключения

Характеристики и комплектация товара могут изменяться производителем без предварительного уведомления.








.jpg)









Кабель и провод










Светотехника


























Релейное оборудование

















Щитовое оборудование















Системы укладки кабеля






























Стабилизаторы напряжения

Электрофурнитура



















Счетчики

Измерительные приборы





















.png)


Альтернативная энергетика


Элементы питания
Зарядки для электромобилей
Генераторы
Распродажа